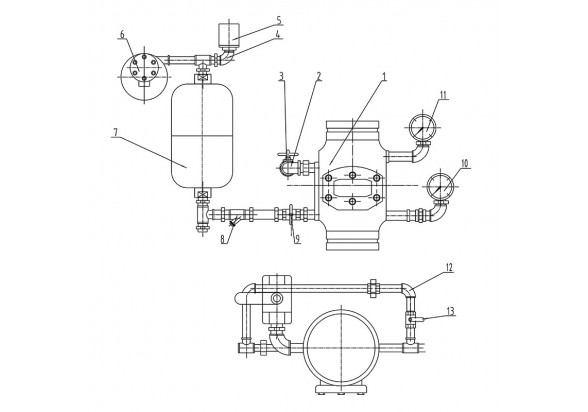
湿式报警阀
产品概述:
ZSFZ 是一种通用的固定灭火系统,它由湿式报警阀、延迟器、水力警铃以及其它部件(如压力开关、 水流指示器、 喷头等)组成。该系统长期处于备用工作状态,管网内充满压力,当保护区域内某处发生火灾时,环境温度升高喷头上的温度敏感元件(玻璃球)动作,密封组件脱落,自动启动系统,将水直接喷向火灾发生区域,并发出报警信号以达到报警、灭火、控火之目的。
适用于能用水灭火的建筑物,通常安装于有火灾危险的生产场所、仓库、宾馆、商场、医院、剧院、办公楼、高层建筑及车库等场所。
- 技术参数
- 外型尺寸
- 零件材料
- 下载中心



